
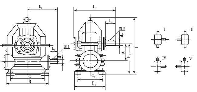
型號(hào) | A | H1 | H | B | B1 | C | C1 | 4--Φ | L1 | L2 | L3 | L4 | d1 | 鍵I | d2 | 鍵II |
WXJ80 | 80 | 160 | 285 | 210 | 160 | 145 | 115 | 4—Φ13 | 181 | 50 | 152 | 50 | Φ22 | 6×40 | Φ30 | 8×42 |
WXJ100 | 100 | 190 | 340 | 250 | 180 | 180 | 140 | 4—Φ18 | 191 | 50 | 176 | 65 | Φ30 | 8×42 | Φ40 | 12×55 |
WXJ120 | 120 | 220 | 380 | 275 | 200 | 200 | 150 | 4—Φ18 | 218 | 56 | 187 | 78 | Φ30 | 8×50 | Φ45 | 14×70 |
WXJ150 | 150 | 270 | 450 | 374 | 260 | 290 | 210 | 4—Φ24 | 277 | 65 | 227 | 90 | Φ40 | 12×50 | Φ55 | 16×80 |
WXJ180 | 180 | 320 | 540 | 420 | 320 | 300 | 260 | 4—Φ24 | 298 | 78 | 261 | 98 | Φ45 | 14×68 | Φ60 | 18×90 |

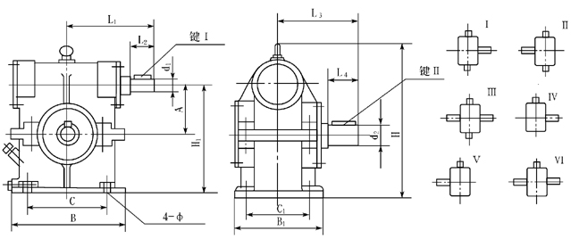
型號(hào) | A | H1 | H | B | B1 | C | C1 | 4--Φ | L1 | L2 | L3 | L4 | d1 | 鍵I | d2 | 鍵II |
WSJ80 | 80 | 200 | 275 | 210 | 160 | 145 | 115 | 4—Φ13 | 181 | 50 | 152 | 50 | Φ22 | 6×40 | Φ30 | 8×42 |
WSJ100 | 100 | 240 | 330 | 250 | 180 | 180 | 140 | 4—Φ18 | 191 | 50 | 176 | 65 | Φ30 | 8×42 | Φ40 | 12×55 |
WSJ120 | 120 | 270 | 360 | 275 | 200 | 200 | 150 | 4—Φ18 | 218 | 56 | 187 | 78 | Φ30 | 8×50 | Φ45 | 14×70 |