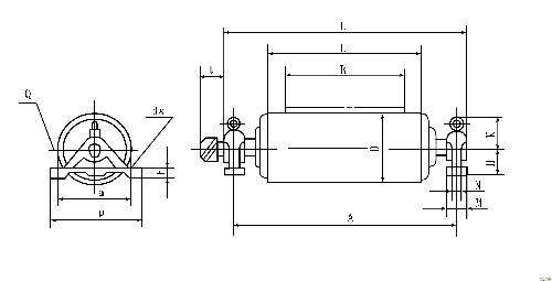
|
D
|
B
|
A
|
L
|
L1
|
t
|
H
|
K
|
M
|
N
|
P
|
a
|
h
|
ds
|
|
320
|
500
|
850
|
600
|
940
|
95
|
120
|
105
|
90
|
/
|
340
|
280
|
35
|
27
|
|
650
|
1000
|
750
|
1090
|
120
|
90
|
340
|
280
|
35
|
|||||
|
400
|
500
|
850
|
600
|
940
|
95
|
120
|
125
|
90
|
/
|
340
|
280
|
35
|
|
|
650
|
1000
|
750
|
1090
|
120
|
90
|
340
|
280
|
35
|
|||||
|
500
|
500
|
850
|
600
|
960
|
115
|
100
|
145
|
70
|
/
|
340
|
280
|
35
|
|
|
620
|
|||||||||||||
|
650
|
1000
|
750
|
1120
|
120
|
90
|
340
|
280
|
35
|
|||||
|
800
|
1300
|
950
|
1420
|
120
|
90
|
340
|
280
|
35
|
|||||
|
630
|
650
|
1000
|
750
|
1120
|
115
|
120
|
175
|
90
|
/
|
340
|
280
|
35
|
|
|
800
|
1300
|
950
|
1430
|
140
|
130
|
80
|
400
|
330
|
35
|
||||
|
1000
|
1500
|
1150
|
1630
|
140
|
130
|
80
|
400
|
330
|
35
|
||||
|
1200
|
1750
|
1400
|
1880
|
160
|
160
|
90
|
440
|
360
|
50
|
34
|
|
直徑(mm)
|
功率(KW)
|
帶寬(mm)
|
帶速(m/s)
|
重量(Kg)max
|
|||||||
|
0.8
|
1.0
|
1.25
|
1.6
|
2.0
|
2.5
|
3.15
|
4.0
|
||||
|
320
|
1.5
|
500
|
●
|
●
|
●
|
●
|
|
|
|
|
182
|
|
650
|
●
|
●
|
●
|
●
|
|
|
|
|
192
|
||
|
2.2
|
500
|
|
●
|
●
|
●
|
|
|
|
|
184
|
|
|
650
|
|
●
|
●
|
●
|
|
|
|
|
194
|
||
|
3
|
500
|
|
|
●
|
●
|
|
|
|
|
217
|
|
|
650
|
|
|
●
|
●
|
|
|
|
|
224
|
||
|
4
|
500
|
|
|
|
●
|
|
|
|
|
224
|
|
|
650
|
|
|
|
●
|
|
|
|
|
236
|
||
|
400
|
2.2
|
500
|
●
|
●
|
●
|
●
|
|
|
|
|
216
|
|
650
|
●
|
●
|
●
|
●
|
|
|
|
|
227
|
||
|
3
|
500
|
●
|
●
|
●
|
●
|
|
|
|
|
248
|
|
|
650
|
●
|
●
|
●
|
●
|
|
|
|
|
262
|
||
|
4
|
500
|
|
●
|
●
|
●
|
|
|
|
|
253
|
|
|
650
|
|
●
|
●
|
●
|
|
|
|
|
267
|
||
|
500
|
1.5
|
500
|
|
●
|
●
|
|
|
|
|
|
269
|
|
650
|
|
●
|
●
|
|
|
|
|
|
280
|
||
|
2.2
|
500
|
●
|
●
|
●
|
●
|
|
|
|
|
271
|
|
|
650
|
●
|
●
|
●
|
●
|
|
|
|
|
282
|
||
|
800
|
●
|
●
|
●
|
|
|
|
|
|
312
|
||
|
3
|
500
|
●
|
●
|
●
|
●
|
●
|
|
|
|
299
|
|
|
650
|
●
|
●
|
●
|
●
|
●
|
|
|
|
313
|
||
|
800
|
●
|
●
|
●
|
●
|
●
|
|
|
|
343
|
||
|
4
|
500
|
●
|
●
|
●
|
●
|
●
|
●
|
|
|
305
|
|
|
650
|
●
|
●
|
●
|
●
|
●
|
●
|
|
|
319
|
||
|
800
|
●
|
●
|
●
|
●
|
●
|
●
|
|
|
349
|
||
|
5.5
|
500
|
|
●
|
●
|
●
|
●
|
●
|
|
|
365
|
|
|
650
|
|
●
|
●
|
●
|
●
|
●
|
|
|
401
|
||
|
800
|
|
●
|
●
|
●
|
●
|
●
|
|
|
430
|
||
|
7.5
|
650
|
|
|
●
|
●
|
●
|
●
|
|
|
414
|
|
|
800
|
|
|
●
|
●
|
●
|
●
|
●
|
|
443
|
||
|
11
|
650
|
|
|
|
●
|
●
|
●
|
|
|
476
|
|
|
800
|
|
|
|
●
|
●
|
●
|
●
|
|
513
|
||
|
15
|
800
|
|
|
|
●
|
●
|
●
|
●
|
|
537
|
|
|
630
|
3
|
1000
|
|
|
●
|
|
|
|
|
|
526
|
|
4
|
1000
|
|
●
|
●
|
●
|
|
|
|
|
533
|
|
|
1200
|
|
|
●
|
|
|
|
|
|
587
|
||
|
5.5
|
800
|
|
●
|
●
|
●
|
●
|
|
|
|
572
|
|
|
1000
|
|
●
|
●
|
●
|
●
|
|
|
|
603
|
||
|
1200
|
|
●
|
●
|
●
|
●
|
●
|
|
|
673
|
||
|
7.5
|
800
|
|
●
|
●
|
●
|
●
|
|
|
|
587
|
|
|
1000
|
|
●
|
●
|
●
|
●
|
●
|
|
|
618
|
||
|
1200
|
|
●
|
●
|
●
|
●
|
●
|
|
|
687
|
||
|
11
|
650
|
|
|
●
|
●
|
|
|
|
|
608
|
|
|
800
|
|
|
●
|
●
|
●
|
|
|
|
674
|
||
|
1000
|
|
●
|
●
|
●
|
●
|
●
|
●
|
|
706
|
||
|
1200
|
|
●
|
●
|
●
|
●
|
●
|
|
|
776
|
||
|
15
|
800
|
|
|
|
●
|
●
|
|
|
|
692
|
|
|
1000
|
|
|
|
●
|
●
|
●
|
●
|
|
724
|
||
|
|
1200
|
|
|
|
●
|
●
|
●
|
●
|
●
|
794
|
|